充气式无局放试验变压器的试验现场如何布置
充气式无局放试验的试验现场如何布置,以充气式无局放试验变压器等为主的设备如何调试。本文将对这些问题做一个简要的分析。
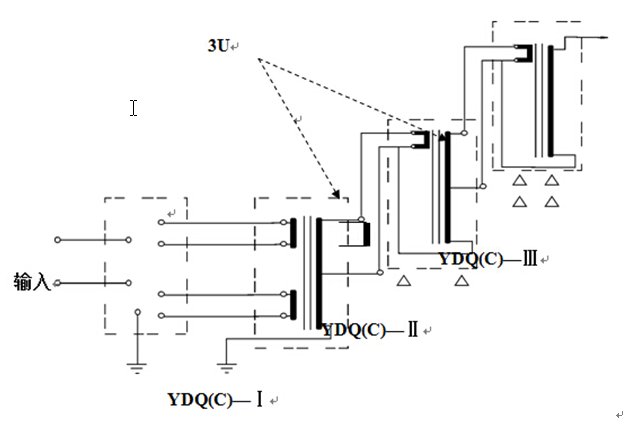
1、交流耐压试验接线图
2、串激组合试验接图
1)串级接线
注:高压输出串激线与仪表及高压尾应可靠相连,否则易击穿变压器。 接线请校极性。
CZT-操作台
YDQ(C)-Ⅰ-第一组试变
YDQ(C)-Ⅱ-第二组试变
YDQ(C)-Ⅲ-第三组试变
△-绝缘支架
2)概述
为了方便电力系统的现场等级的试验,我们专们设计和生产用多台轻型试验变压器串激组合YDQ(C)系列试验设备。由于分散组合能力方便使用,故可适应现场多种需要。每个单元重量轻,运输和移动方便,使现场能顺利取得较高的试验电源。
3)工作原理
YDQ(C)系列高压试验装置,除最高电压一级外,都在高压绕组中串绕激磁组。该绕组和后一级试验变压器初级线圈参数相同。
由控制箱供给第Ⅰ级试验变压器绕组电源。第Ⅰ级高压绕组尾端和外壳接地,首端和第Ⅱ级试验变压器高压尾及外壳连接。由第Ⅰ 级串激抽头供给第Ⅱ级低压绕组的励磁电源,此时Ⅱ级试验变压器输出为第Ⅰ和第Ⅱ级输出叠加。同理,可叠加第Ⅲ级。
3、无局放试验(YDQW型试验变压器适用)
接线图参考局部放电检测仪接线(如下),升压使用与普通交流耐压试验操作方法相同。
CK:耦合电容器 CX:被试品
以上是充气式无局放试验的现场布置,如果对充气式无局放变压器有兴趣,可以多看看产品栏目。
1、交流耐压试验接线图
1)串级接线
注:高压输出串激线与仪表及高压尾应可靠相连,否则易击穿变压器。 接线请校极性。
YDQ(C)-Ⅰ-第一组试变
YDQ(C)-Ⅱ-第二组试变
YDQ(C)-Ⅲ-第三组试变
△-绝缘支架
2)概述
为了方便电力系统的现场等级的试验,我们专们设计和生产用多台轻型试验变压器串激组合YDQ(C)系列试验设备。由于分散组合能力方便使用,故可适应现场多种需要。每个单元重量轻,运输和移动方便,使现场能顺利取得较高的试验电源。
3)工作原理
YDQ(C)系列高压试验装置,除最高电压一级外,都在高压绕组中串绕激磁组。该绕组和后一级试验变压器初级线圈参数相同。
由控制箱供给第Ⅰ级试验变压器绕组电源。第Ⅰ级高压绕组尾端和外壳接地,首端和第Ⅱ级试验变压器高压尾及外壳连接。由第Ⅰ 级串激抽头供给第Ⅱ级低压绕组的励磁电源,此时Ⅱ级试验变压器输出为第Ⅰ和第Ⅱ级输出叠加。同理,可叠加第Ⅲ级。
3、无局放试验(YDQW型试验变压器适用)
接线图参考局部放电检测仪接线(如下),升压使用与普通交流耐压试验操作方法相同。
以上是充气式无局放试验的现场布置,如果对充气式无局放变压器有兴趣,可以多看看产品栏目。
- 上一篇: 充气式无局放试验变压器的操作试验方法
- 下一篇: 电力系统继电保护装置中常用的25个名词解释





