局部放电检测仪试品接入试验准备和操作说明
局部放电检测仪,也叫局部放电测试仪,是用来测试电气设备局部放电现象的仪器,目前在很多电气试验环境中使用。那么局部放电检测仪在做试验之前,需要有哪些准备工作,试品如何接入。下面来和武汉合众电气一同看看局部放电检测仪试品接入试验准备和操作说明。
检查试验场地的接地情况,将本仪器后部的接地螺栓用粗铜线(最好用编织铜带)与试验场地的接地线妥善相接,输入单元的接地短路片也要妥善接地。
根据试验电容Ca、耦合电容Ck的大小,选取合适序号的输入单元(见表一),表一中调谐电容量系指从输入单元初级绕组两端看到的电容(按Ca与Ck的串联粗略估算)。
输入单元应尽量靠近被测试品,输入单元插座,经8米长电缆与后面板上放大器输入插座相接。
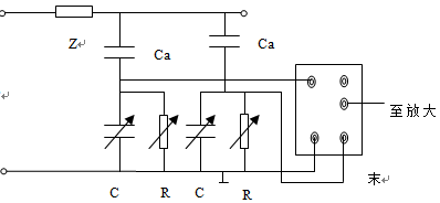
试品接入单元的方法主要有以下几种:
a.并联法
b.串联法
c.平衡法
d.桥式接法
图中:Ca-试品 Ck-耦合电容 Z-高压保护电阻
R3、C3、R4、C4--桥式接法中平衡调节阻抗
在高压端接上电压表电阻或电容分压器,其输出经测量电缆接到后面板试验电压输入插座。
在未加试验电压的情况下,将校正脉冲发生器的输出接试品两端。
以上是局部放电检测仪试品如何接入的试验准备和操作说明,如果对仪器有兴趣,可联系我们。
检查试验场地的接地情况,将本仪器后部的接地螺栓用粗铜线(最好用编织铜带)与试验场地的接地线妥善相接,输入单元的接地短路片也要妥善接地。
根据试验电容Ca、耦合电容Ck的大小,选取合适序号的输入单元(见表一),表一中调谐电容量系指从输入单元初级绕组两端看到的电容(按Ca与Ck的串联粗略估算)。
输入单元应尽量靠近被测试品,输入单元插座,经8米长电缆与后面板上放大器输入插座相接。
试品接入单元的方法主要有以下几种:
a.并联法
R3、C3、R4、C4--桥式接法中平衡调节阻抗
在高压端接上电压表电阻或电容分压器,其输出经测量电缆接到后面板试验电压输入插座。
在未加试验电压的情况下,将校正脉冲发生器的输出接试品两端。
以上是局部放电检测仪试品如何接入的试验准备和操作说明,如果对仪器有兴趣,可联系我们。
- 上一篇: 局部放电检测仪开机使用步骤注意事项
- 下一篇: 局部放电检测仪测量显示界面的说明





