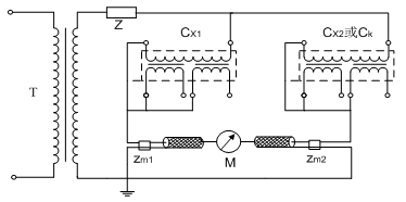
几种典型的局放仪测量回路连接方法
几种典型的局放仪测量回路连接方法
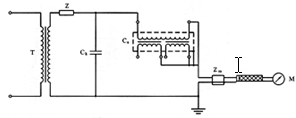
a电压互感器:电压互感器的试验方法可归结为两大类,即在被试品高压侧加压或低压侧加压(即二次绕组自励磁产生),一般推荐采用高压侧加压,但在现场若受到客观条件的限制,无适当的电源设备,则采用低压侧加压。
高压侧加压:
T-试验变压器; Ck为耦合电容器; Zm为输入单元;
Z为电源滤波阻抗(也可位于低压侧) M为局放检测仪
注:电压互感器高压线圈首末两端绝缘水平相等的,应向两个高压端子轮流施加电压,共进行两次试验。当一个高压端子加压时,另一个高压端子应接到低压端子上。
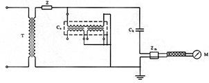
a电压互感器:电压互感器的试验方法可归结为两大类,即在被试品高压侧加压或低压侧加压(即二次绕组自励磁产生),一般推荐采用高压侧加压,但在现场若受到客观条件的限制,无适当的电源设备,则采用低压侧加压。
高压侧加压:
图6-3-A 输入单元和电压互感器串接
T-试验变压器; Ck为耦合电容器; Zm为输入单元;
Z为电源滤波阻抗(也可位于低压侧) M为局放检测仪
图6-3-B 输入单元和耦合电容器Ck串接
图6-3-C 平衡回路
注:电压互感器高压线圈首末两端绝缘水平相等的,应向两个高压端子轮流施加电压,共进行两次试验。当一个高压端子加压时,另一个高压端子应接到低压端子上。
- 上一篇: 局放仪测量低压侧加压如何接线
- 下一篇: 局放仪并联法整个系统接线原理图





