电容电感测试仪的工作原理
了解电力测试设备的工作原理,能更好帮助我们了解本设备,下面合众电气专家介绍,电容电感测试仪的工作原理,来举例说明。
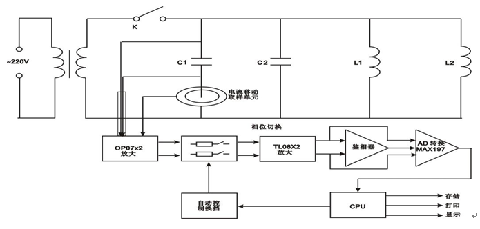
图1 工作原理图
在被测电容支路有对被测电容的电压、电流取样的取样电路,取样电路的输出端分别接放大电路,从电压放大电路输出的电压信号和从电流放大电路输出的电流信号通过鉴相器输出相位差信号,与电压信号和电流信号通过A/D转换器(将模拟信号转变为数字信号的电子元件)后,输入CPU计算而得到被测电容值。因为采用了移动的电流取样单元,而使得无需拆除连接线就可以直接测量电容值。
加之测量过程档位是自动进行选择,避免了手动操作引起的误差,因此具有稳定性好、重复性好,准确可靠的特点。
以上是电容电感测试仪的工作原理,如需本仪器请找专业厂家,合众电气有二十年经验。
在被测电容支路有对被测电容的电压、电流取样的取样电路,取样电路的输出端分别接放大电路,从电压放大电路输出的电压信号和从电流放大电路输出的电流信号通过鉴相器输出相位差信号,与电压信号和电流信号通过A/D转换器(将模拟信号转变为数字信号的电子元件)后,输入CPU计算而得到被测电容值。因为采用了移动的电流取样单元,而使得无需拆除连接线就可以直接测量电容值。
加之测量过程档位是自动进行选择,避免了手动操作引起的误差,因此具有稳定性好、重复性好,准确可靠的特点。
以上是电容电感测试仪的工作原理,如需本仪器请找专业厂家,合众电气有二十年经验。
- 上一篇: 高压开关机械特性测试仪删除数据和U盘保存
- 下一篇: 电容电感测试仪的技术参数






