合众电气公司刷镀锡机的面板布局
电力测试设备的操作面板上一般都有一些操作按钮,下面合众电气公司举例介绍,刷镀锡机的面板布局。
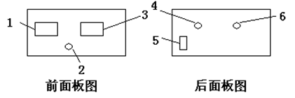
面板布局
1、电压表 2、电压调节旋钮 3、电流表 4、接线柱正极
5、电源开关 6、接线柱负极
以上是电力测试设备的部分内容介绍,刷镀锡机的面板布局,如果您需要电力测试设备,请联系合众电气公司网站客服。
1、电压表 2、电压调节旋钮 3、电流表 4、接线柱正极
5、电源开关 6、接线柱负极
以上是电力测试设备的部分内容介绍,刷镀锡机的面板布局,如果您需要电力测试设备,请联系合众电气公司网站客服。
- 上一篇: 继电保护测试仪单机操作模块功能说明
- 下一篇: 合众电气公司刷镀锡机的主要技术参数





