微机继电保护测试仪的功率继电器校验
微机继电保护测试仪的功率继电器校验,是把上一篇继电保护测试仪继电器校验更加细化的讲解,欢迎合众电气技术工程师给大家讲解。
(1)功率方向继电器动作区和灵敏角的测量
在微机继电保护测试仪功率、阻抗试验中,设定Uab、Ia为额定值,设置Uab相角步长,加减电压相位角(可用自动试验方式),测出动作区两边边界角φ1、φ2,则灵敏角φLM=?(φ1+φ2)。
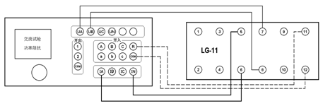
(2)最小动作功率的测量
将微机继电保护测试仪角度设置在灵敏角φLM,设定Ia(或Uab)为额定值、Uab(或Ia)为零。
设置Uab(或Ia)的步长,增加电压(或电流)。测出最小动作功率。如上图所示。
(3)潜动试验
微机继电保护测试仪电流回路开路,设置Uab初值为零、步长为额定电压,突然加上或切除电压,继电器触点不应有瞬间接通现象。
电压回路经20欧电阻短路,设置Ia 初值为零、步长为数倍额定电流,突然加上或切除电流,继电器触点不应有瞬间接通现象。
(4)记忆作用检验
在微机继电保护测试仪灵敏角下设置Ia 为0.5倍和数倍额定电流时,Uab由100V突降至零,继电器应可靠动作,说明记忆作用良好。
(1)功率方向继电器动作区和灵敏角的测量
在微机继电保护测试仪功率、阻抗试验中,设定Uab、Ia为额定值,设置Uab相角步长,加减电压相位角(可用自动试验方式),测出动作区两边边界角φ1、φ2,则灵敏角φLM=?(φ1+φ2)。
(2)最小动作功率的测量
将微机继电保护测试仪角度设置在灵敏角φLM,设定Ia(或Uab)为额定值、Uab(或Ia)为零。
(3)潜动试验
微机继电保护测试仪电流回路开路,设置Uab初值为零、步长为额定电压,突然加上或切除电压,继电器触点不应有瞬间接通现象。
电压回路经20欧电阻短路,设置Ia 初值为零、步长为数倍额定电流,突然加上或切除电流,继电器触点不应有瞬间接通现象。
(4)记忆作用检验
在微机继电保护测试仪灵敏角下设置Ia 为0.5倍和数倍额定电流时,Uab由100V突降至零,继电器应可靠动作,说明记忆作用良好。
- 上一篇: 微机继电保护测试仪阻抗继电器校验
- 下一篇: 微机继电保护测试仪的继电器校验





