微机继电保护测试仪的同步检查继电器校验
微机继电保护测试仪找专业做继保的公司厂家做,合众电气是武汉一家有二十年经验的电力测试设备制造商。下面合众电气技术工程师介绍,微机继电保护测试仪的同步检查继电器校验。
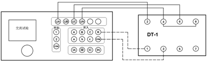
(1)两线圈极性关系检查
在微机继电保护测试仪交流试验中,设定Ua、Uc输出额定电压接入两线圈,继电器不动作,但断开任一线圈继电器即动作,说明2、6为同极性端子,否则2、4为同极性端子。
(2)动作角度的测量
调节好微机继电保护测试仪极性端子,设定Ua、Uc为额定电压,改变两电压之间的角度,测出动作值和返回值。
(3)动作、返回电压的测量
(1)两线圈极性关系检查
在微机继电保护测试仪交流试验中,设定Ua、Uc输出额定电压接入两线圈,继电器不动作,但断开任一线圈继电器即动作,说明2、6为同极性端子,否则2、4为同极性端子。
(2)动作角度的测量
调节好微机继电保护测试仪极性端子,设定Ua、Uc为额定电压,改变两电压之间的角度,测出动作值和返回值。
(3)动作、返回电压的测量
设定一个线圈电压为零,另一线圈电压由零逐步增加(可用自动试验方式)测出动作电压,再逐步减小电压,测出返回电压。交换线圈再做同样试验。微机继电保护测试仪接线如下图所示:
- 上一篇: 微机继电保护测试仪的低周继电器校验
- 下一篇: 变压器综合特性测试台高压特性试验步骤





