继电保护测试仪无制动时的起始安匝检验
继电保护测试仪无制动时的起始安匝检验。
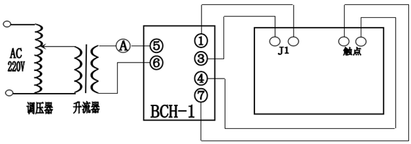
本项目不是一般的定期检验项目,把WC工作绕组的20匝全部投入,把(10)(11)的短接片接上,交流电流从(3)(8)加入,触点动作信号从(5)(7)接入触点端,按电流继电器的方法检验。
C、制动特性实验
继电保护测试仪定期检验时仅测定=0°和制动安匝为280安匝的动作安匝值。
按上图接线,断开(4)(6)端子的连接片,动作回路取39匝,制动回路取14匝,调压器(较大容量5KVA以上)和本仪器使用同-220V电源时,升至电流到要求的安匝,按交流继电器的方法做出动作电流。如果动作安匝安全不对,可能是制动电流和动作电流的相角是180度,把制动电流反相就好了,如果本仪器使用三相电中的一相,调压器使用另外一相,通过改变相别的将升流器正接反接可得到60°的相角。如外接移相器,亦可得到全部的0°、30°、60°、90°的相角。
继电保护测试仪整组伏安特性检验,如下图接线
交流电流中在工作绕组上(3)(8),执行元件的电压由一块用表从(9)(10)读取,选择T1至IAC档,升流到所需安匝数,读取1倍、2倍、5倍安匝时执行元件端的电压值。详见《保护继电器检验》一书。
E、继电保护测试仪整定位置下的动作安匝检验
继电保护测试仪做法同交流电流继电器,详见本说明书第五项之第2条。
本项目不是一般的定期检验项目,把WC工作绕组的20匝全部投入,把(10)(11)的短接片接上,交流电流从(3)(8)加入,触点动作信号从(5)(7)接入触点端,按电流继电器的方法检验。
C、制动特性实验
继电保护测试仪定期检验时仅测定=0°和制动安匝为280安匝的动作安匝值。
继电保护测试仪整组伏安特性检验,如下图接线
E、继电保护测试仪整定位置下的动作安匝检验
继电保护测试仪做法同交流电流继电器,详见本说明书第五项之第2条。
- 上一篇: 智能互感器测试仪CT测试时的接线方式
- 下一篇: 智能互感器测试仪10%误差曲线计算和应用方法





