局部放电测试系统局放试验操作方法说明
局放操作说明
(1)试验设备
①检查试验场地的接地情况,将本局部放电测试系统后部的接地螺栓29用粗铜线(最好用编制铜带)与试验场地的接地妥善相接,输入单元的接地短路片也要妥善接地。
②根椐试品电容Ca,藕合电容Ck的大小,选取合适序号的输入单元检测灵敏度,表中调谐电容量是指从输入单元初级绕组两端看到的电容(按Cx和Ck的串联值粗略估算)。
输入单元应尽量靠近被测试品,输入单元插座经8米长电缆与后面板上放大器输入插座“31”相接。
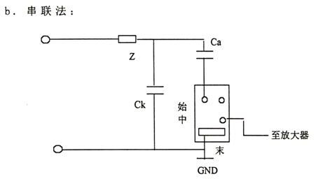
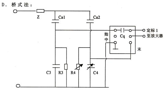
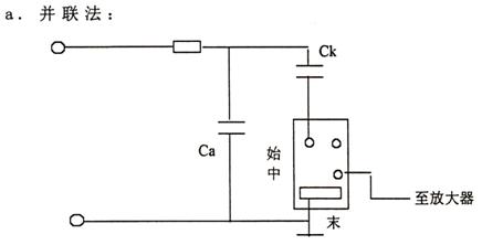
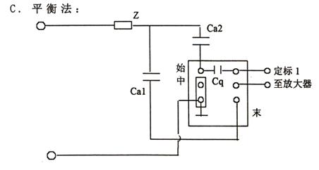
③试品接入输入单元的方法主要有以下几种:
图中:Ca——试品 Ck——藕合电容 Z——阻塞阻抗
R3、C3、R4、C4——桥式接法中平衡调节阻抗。
④在高压端接上电压表电阻或电容分压器,其输出经测量电缆接到后面板试验电压输入插座30。
⑤在未加试验电压的情况下,将KJF98-Ⅰ校正脉冲发生器的输出接试品两端。
(2)局部放电测试系统操作说明
①开机准备:将时基显示方式开关18置于“椭圆”。
②放电量的校正:按图接好线后,在未加试验电压之前用校正脉冲发生器予以校正。
注意:方波测量盒应尽量靠近试品的高压端。红端子引线接高压端。
③然后调节放大器增益调节“6”、“7”,使该注入脉冲高度适当(示波屏上高度2cm以下),使数字表“4”,指针表“2”上的读数值与注入的已知电量相符。调定后放大器细调旋钮“7”的位置不能再改变,需保持与校正时相同。
注:校正完成后必须去掉校正方波发生器与试验回路的连接。
④测试操作:接通高压试验回路电源,零标开关至“通”位置,缓缓升高试验电压,椭圆上出现两个零标脉冲。
旋转“椭圆旋转”开关“1 7”,使椭圆旋转到预期的放电处于最有利于观测的位置,连续升高电压,注意第一次出现的持续放电,当放电量超过规定的最低值时的电压即为局部放电起始电压。
在规定的试验电压下,观测到放电脉冲信号后,调节放大器粗调开关“6”(注意:细调旋钮“7”的位置不能再变动),使显示屏上放电脉冲高度在0.2~2cm之间(数字电压表上的PC读数有效数字不能超过120.0),则数字表头的读数乘以或除以10(粗调开关换档倍率) 即为放电量值读数。
⑤注意:本仪器使用数字表头显示放电量,其满度值定为100超过该值即为过载,不能保证精度,超过该值需拨动增益粗调开关转换到低增益档。
试验过程中常会发现有各种干扰,对于固定相位的干扰,可用时间窗装置来避开。合上开关“12”、“13”,用一个或两个时间窗,并用电位器“10”、“11”来改变椭圆上加亮区域的宽度和位置,使其避开干扰脉冲之处,用时间窗装置可以分别测量产生于两个半波内的放电量。
- 上一篇: 继电保护校验仪开关机操作步骤及注意事项
- 下一篇: SF6气体密度继电器校验仪主菜单及功能说明














